UB1000-18GM75-E5-V15 - 204530
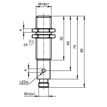
Czujnik ultradźwiękowy Pepperl+Fuchs, typ odbiciowy, średnica M18, sn=70-1000 mm, PNP/ NO lub NC, zasilanie 10-30 VDC, konektor M12, odpowiedź = 3Hz, IP67, L=85 mm, synchronizacja, wybór szerokości wiązki
Parametry produktu
Czas dostawy gdy brak na magazynie
1 tydzień gdy dostępny w PF Niemcy
Wersja
Wymiary/ Średnica
Podłączenie elektryczne
Stopień ochrony
Gwarancja
12
Producent
PEPPERL+FUCHS
Cechy szczególne
Zasilanie
Funkcja wyjścia
Strefa działania
Obudowa
Opisy produktu
Najważniejsze parametry Ultrasonic sensor UB1000-18GM75-E5-V15
- Switching output
- Można ustawić 5 różnych funkcji wyjściowych
- Wybieralna szerokość płata dźwiękowego
- Program wejściowy
- Opcje synchronizacji
- Opcja dezaktywacji
- Kompensacja temperatury
- Bardzo mały, nieużyteczny obszar
| Opis produktu |
|---|
| System pojedynczej głowicy |
| Ogólne specyfikacje | ||
|---|---|---|
| Zasięg wykrywania | 70 ... 1000 mm | |
| Zakres regulacji | 90 ... 1000 mm | |
| Martwe pasmo | 0 ... 70 mm | |
| Standardowa tarcza celownicza | 100 mm x 100 mm | |
| Częstotliwość przetwornika | około 255 kHz | |
| Opóźnienie odpowiedzi | około 125 ms | |
| Wskaźniki / środki operacyjne | ||
| LED żółty | sygnalizacja stanu przełączenia miganie: wykryto obiekt funkcji programu |
|
| Czerwona dioda LED | świeci na czerwono: Błąd czerwony, miga: funkcja programu, obiekt nie został wykryty |
|
| Specyfikacje elektryczne | ||
| Napięcie robocze | 10 ... 30 V DC, tętnienie 10% SS | |
| Prąd zasilania bez obciążenia | ≤ 50 mA | |
| Wejście wyjście | ||
| Synchronizacja | 1 połączenie synchroniczne, dwukierunkowe 0-poziomowe: -U B ... + 1 V 1-poziomowe: +4 V ... + U B < / sub> impedancja wejściowa: > 12 kΩ impuls synchronizacji: ? 100 µs, okres interpolacji synchronizacji: ? 2 ms |
|
| Częstotliwość synchronizacji | ||
| Działanie w trybie wspólnym | max. 40 Hz | |
| Operacja multipleksowania | ≤ 40 Hz / n, n = liczba czujników, n ≤ 5 | |
| Wejście | ||
| Rodzaj wejścia | 1 wejście programu, zakres roboczy 1: -U B ... +1 V, zakres roboczy 2: +4 V ... + U B impedancja wejściowa: > 4,7 kΩ; puls programu: ? 1 s |
|
| Wyjście | ||
| Typ wyjścia | 1 przełącznik wyjście PNP Normalnie otwarty / zamknięty, programowalny | |
| Znamionowy prąd roboczy | 200 mA, zabezpieczenie przed zwarciem / przeciążeniem | |
| Spadek napięcia | ≤ 3 V. | |
| Powtórz dokładność | ≤ 1% | |
| Częstotliwość przełączania | max. 3 Hz | |
| Histereza zakresu | 1% ustawionej odległości roboczej | |
| Wpływ temperatury | ± 1,5% pełnej skali | |
| Zgodność ze standardami i dyrektywami | ||
| Standardowa zgodność | ||
| Standardy | EN IEC 60947-5-2:2020, IEC 60947-5-2:2019 | |
| Aprobaty i certyfikaty | ||
| Aprobata UL | Na liście cULus Źródło zasilania klasy 2 | |
| Zatwierdzenie CCC | Zatwierdzenie / oznakowanie CCC nie jest wymagane dla produktów o napięciu ≤36 V. | |
| Warunki otoczenia | ||
| Temperatura otoczenia | -25 ... 70 ° C (-13 ... 158 ° F) | |
| Temperatura przechowywania | -40 ... 85 ° C (-40 ... 185 ° F) | |
| Specyfikacja mechaniczna | ||
| Rodzaj połączenia | Wtyczka M12 x 1, 5 pinów | |
| Średnica obudowy | 18 mm | |
| Stopień ochrony | IP67 | |
| Materiał | ||
| Obudowa | mosiądz, niklowany | |
| Przetwornik | mieszanka żywicy epoksydowej / pustej szyby; pianka poliuretanowa, pokrywa PBT | |
| Masa | 60 g | |
| Ustawienia fabryczne | ||
| Wyjście | Punkt przełączania A1: 90 mm Punkt przełączania A2: 1000 mm funkcja wyjściowa: tryb okna zachowanie wyjściowe: styk NO |
|
| Szerokość wiązki | szeroki | |
| System | Classcode |
|---|---|
| ECLASS 13.0 | 27272803 |
| ECLASS 12.0 | 27272803 |
| ECLASS 11.0 | 27272803 |
| ECLASS 10.0.1 | 27272803 |
| ECLASS 9.0 | 27272803 |
| ECLASS 8.0 | 27272803 |
| ECLASS 5.1 | 27272803 |
| ETIM 9.0 | EC001849 |
| ETIM 8.0 | EC001849 |
| ETIM 7.0 | EC001849 |
| ETIM 6.0 | EC001849 |
| ETIM 5.0 | EC001849 |
| UNSPSC 12.1 | 41111960 |





















